!Внезапный вопрос - Мгновенный ответ!
Re: !Внезапный вопрос - Мгновенный ответ!
Сергей я шапку перечитал на сто раз , ты вопрос мой лучше прочитай еще раз!
Я не хочу лить штатную прошивку я на ней начну глохнуть из за блуофа
Кто подскажет что поправить в своей прошивке чтобы лог стал 2х байтным?
Я не хочу лить штатную прошивку я на ней начну глохнуть из за блуофа
Кто подскажет что поправить в своей прошивке чтобы лог стал 2х байтным?
- Evg
- Клубень Stage 1
- Статус: Не в сети
- Сообщений: 215
- Зарегистрирован: 18 май 2015, 08:09
- Благодарил (а): 3 раз.
- Поблагодарили: 18 раз.
- Имя: Евгений
- Откуда: Челябинск
Re: !Внезапный вопрос - Мгновенный ответ!
Если ты не хочешь лить штатную прошивку, нафига тебе к штатной прошивке 2 байт лоад?
Как включить - скопировать карту MUT из указанной мною прошивки, ёмаё.
Ты Мерлина так и не осилил прочитать, похоже.
Как включить - скопировать карту MUT из указанной мною прошивки, ёмаё.
Ты Мерлина так и не осилил прочитать, похоже.
Я на Вконтакте /// Мой проект Airtrek Turbo "White Power" /// Турбоястреб на DRIVE2.RU
Турбосемья - мы всегда найдем чего бы у вас обосрать! (c)
Cколько людей, столько раз тебя и обосрут за твое мнение (c)
-

C00LM4N - Злой Админъ
- Статус: Не в сети
- Сообщений: 9972
- Зарегистрирован: 04 июл 2012, 10:02
- Откуда: Москва
- Благодарил (а): 586 раз.
- Поблагодарили: 1440 раз.
- Имя: Сергей
- Откуда: Москва
Re: !Внезапный вопрос - Мгновенный ответ!
Народ на топливную рейку от эво 7-9 наши стоковые форсы встанут?
А потом этот весь колхоз встанет на к нам на двигло?
А потом этот весь колхоз встанет на к нам на двигло?
- Evg
- Клубень Stage 1
- Статус: Не в сети
- Сообщений: 215
- Зарегистрирован: 18 май 2015, 08:09
- Благодарил (а): 3 раз.
- Поблагодарили: 18 раз.
- Имя: Евгений
- Откуда: Челябинск
Re: !Внезапный вопрос - Мгновенный ответ!
Форсы встанут в эво-рейку.
Диагностика, ремонт и обслуживание Mitsubishi
-

VVV - Владислав? Baby don't hurt me
- Статус: Не в сети
- Сообщений: 2119
- Зарегистрирован: 24 сен 2012, 19:46
- Благодарил (а): 106 раз.
- Поблагодарили: 336 раз.
- Имя: Влад
- Откуда: Москва
- Тел.: +79O377O8539
Re: !Внезапный вопрос - Мгновенный ответ!
VVV писал(а):Форсы встанут в эво-рейку.
А эворейка с трековскими форсами не упрется в трековский коллектор при установке?
- Evg
- Клубень Stage 1
- Статус: Не в сети
- Сообщений: 215
- Зарегистрирован: 18 май 2015, 08:09
- Благодарил (а): 3 раз.
- Поблагодарили: 18 раз.
- Имя: Евгений
- Откуда: Челябинск
Re: !Внезапный вопрос - Мгновенный ответ!
Ничего там не упрется
-

Strogan - Местный бригадир
- Статус: Не в сети
- Сообщений: 3455
- Зарегистрирован: 04 июл 2012, 16:57
- Благодарил (а): 122 раз.
- Поблагодарили: 417 раз.
- Имя: Женя
- Откуда: Балашиха
Re: !Внезапный вопрос - Мгновенный ответ!
Evg писал(а):VVV писал(а):Форсы встанут в эво-рейку.
А эворейка с трековскими форсами не упрется в трековский коллектор при установке?
Не упрется, но, насколько помню, под нее нужны более высокие пластиковые проставки.
Диагностика, ремонт и обслуживание Mitsubishi
-

VVV - Владислав? Baby don't hurt me
- Статус: Не в сети
- Сообщений: 2119
- Зарегистрирован: 24 сен 2012, 19:46
- Благодарил (а): 106 раз.
- Поблагодарили: 336 раз.
- Имя: Влад
- Откуда: Москва
- Тел.: +79O377O8539
Re: !Внезапный вопрос - Мгновенный ответ!
Это под родную рейку и эво Форсы нужны, эво рейка должна встать без проставок
-

Strogan - Местный бригадир
- Статус: Не в сети
- Сообщений: 3455
- Зарегистрирован: 04 июл 2012, 16:57
- Благодарил (а): 122 раз.
- Поблагодарили: 417 раз.
- Имя: Женя
- Откуда: Балашиха
Re: !Внезапный вопрос - Мгновенный ответ!
Strogan писал(а):Это под родную рейку и эво Форсы нужны, эво рейка должна встать без проставок
Нихрена подобного. Я пробовал

Диагностика, ремонт и обслуживание Mitsubishi
-

VVV - Владислав? Baby don't hurt me
- Статус: Не в сети
- Сообщений: 2119
- Зарегистрирован: 24 сен 2012, 19:46
- Благодарил (а): 106 раз.
- Поблагодарили: 336 раз.
- Имя: Влад
- Откуда: Москва
- Тел.: +79O377O8539
Re: !Внезапный вопрос - Мгновенный ответ!
Сифонит не много прокладка между турбиной и коллектором!Это может как то влиять на езду?
- AvtoMoto
- Клубень Stage 1
- Статус: Не в сети
- Сообщений: 74
- Зарегистрирован: 13 апр 2016, 09:14
- Благодарил (а): 6 раз.
- Поблагодарили: 3 раз.
- Имя: Валерий
- Откуда: Тихорецк
- Тел.: 89615064023
Re: !Внезапный вопрос - Мгновенный ответ!
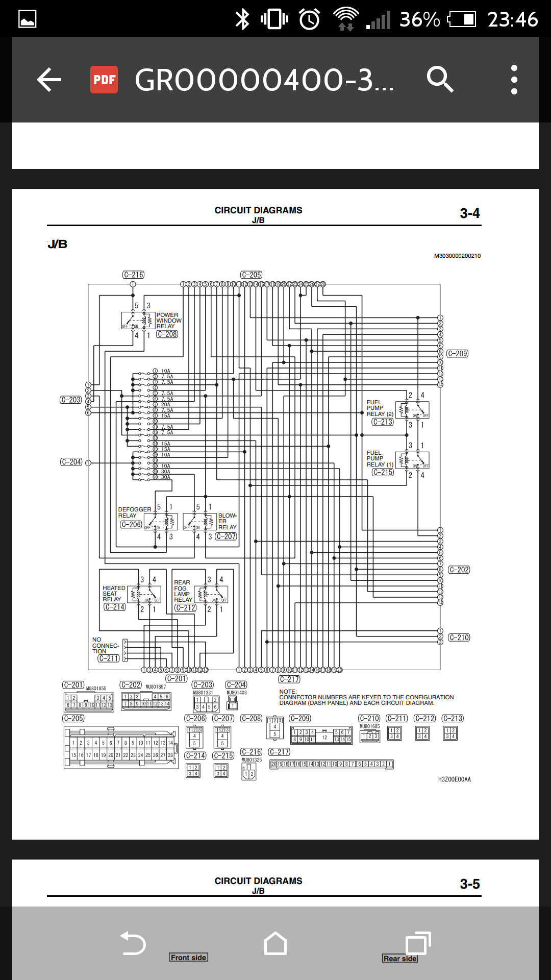
Есть у кого нибудь нормальная читаемая схема по электрике а не отксерокопированая полунечитаемая хуетень?
Оч. надо...проводку сращиваем.
Оч. надо...проводку сращиваем.
https://www.drive2.ru/r/mitsubishi/lanc ... n/1650973/
Самое херовое что можно сделать с аиртреком - свапнуть туда меху.
А спустя год полтора ты поймешь, что покупка трека это была большая ошибка, но будет поздно - закопано бабла уже много и отступать некуда...толи дело Алёша наебал судьбу трижды хитрый х*й.
Продать трека = признать свою слабость и сдаться.
Самое херовое что можно сделать с аиртреком - свапнуть туда меху.
А спустя год полтора ты поймешь, что покупка трека это была большая ошибка, но будет поздно - закопано бабла уже много и отступать некуда...толи дело Алёша наебал судьбу трижды хитрый х*й.
Продать трека = признать свою слабость и сдаться.
-

михаил82 - Душитель минводный
- Статус: Не в сети
- Сообщений: 7559
- Зарегистрирован: 22 ноя 2012, 12:02
- Откуда: от туда
- Благодарил (а): 868 раз.
- Поблагодарили: 1083 раз.
- Имя: михаил
- Откуда: мин.воды - саратов
- Тел.: 02
Re: !Внезапный вопрос - Мгновенный ответ!
Я де тебе ссылку на яп мануал полный по электрике кидал? Там отличное качество
-

Strogan - Местный бригадир
- Статус: Не в сети
- Сообщений: 3455
- Зарегистрирован: 04 июл 2012, 16:57
- Благодарил (а): 122 раз.
- Поблагодарили: 417 раз.
- Имя: Женя
- Откуда: Балашиха
Re: !Внезапный вопрос - Мгновенный ответ!
некидал, скинь если не сложно
https://www.drive2.ru/r/mitsubishi/lanc ... n/1650973/
Самое херовое что можно сделать с аиртреком - свапнуть туда меху.
А спустя год полтора ты поймешь, что покупка трека это была большая ошибка, но будет поздно - закопано бабла уже много и отступать некуда...толи дело Алёша наебал судьбу трижды хитрый х*й.
Продать трека = признать свою слабость и сдаться.
Самое херовое что можно сделать с аиртреком - свапнуть туда меху.
А спустя год полтора ты поймешь, что покупка трека это была большая ошибка, но будет поздно - закопано бабла уже много и отступать некуда...толи дело Алёша наебал судьбу трижды хитрый х*й.
Продать трека = признать свою слабость и сдаться.
-

михаил82 - Душитель минводный
- Статус: Не в сети
- Сообщений: 7559
- Зарегистрирован: 22 ноя 2012, 12:02
- Откуда: от туда
- Благодарил (а): 868 раз.
- Поблагодарили: 1083 раз.
- Имя: михаил
- Откуда: мин.воды - саратов
- Тел.: 02
Re: !Внезапный вопрос - Мгновенный ответ!
ребята, а че за хуйня, когда автомат только на первой передаче работает. Подгазовываешь, он с ебическим пинком врубает вторую и снова падает на первую? (((
Никогда, слышите, никогда не пользуйтесь поиском по форуму! Вы и так уже достаточно потрудились, найдя сам форум в Гугле или Яндексе, а всё остальное вам должны рассказать.©
-

nikshapilov - Люблю всё любить
- Статус: Не в сети
- Сообщений: 2291
- Зарегистрирован: 04 июл 2012, 15:57
- Благодарил (а): 369 раз.
- Поблагодарили: 336 раз.
- Имя: Никита
- Откуда: Видное М.О.
Re: !Внезапный вопрос - Мгновенный ответ!
Никит, тебе в тему - АКПП, готовь бабло на конракт
-

Strogan - Местный бригадир
- Статус: Не в сети
- Сообщений: 3455
- Зарегистрирован: 04 июл 2012, 16:57
- Благодарил (а): 122 раз.
- Поблагодарили: 417 раз.
- Имя: Женя
- Откуда: Балашиха
Re: !Внезапный вопрос - Мгновенный ответ!
Подскажите пожалуйста , система полного привода как правильно называется ? К примеру : постоянный полный , Full 4 wd !
MMC Minica,MMC Lancer Сedia,MMC Lancer X,MMC Airtrek silver ,Toyota Passo,Nissan Teana j31,MMC Airtrek black сейчас.
-

Серега 30rus - Клубень Stage 1
- Статус: Не в сети
- Сообщений: 55
- Зарегистрирован: 04 апр 2014, 16:38
- Откуда: Астрахань
- Благодарил (а): 11 раз.
- Поблагодарили: 0 раз.
- Имя: Сергей
- Откуда: Астрахань
- Тел.: 89608585809
Re: !Внезапный вопрос - Мгновенный ответ!
Серега 30rus писал(а):Подскажите пожалуйста , система полного привода как правильно называется ? К примеру : постоянный полный , Full 4 wd !
Имеется в виду турбо трек
MMC Minica,MMC Lancer Сedia,MMC Lancer X,MMC Airtrek silver ,Toyota Passo,Nissan Teana j31,MMC Airtrek black сейчас.
-

Серега 30rus - Клубень Stage 1
- Статус: Не в сети
- Сообщений: 55
- Зарегистрирован: 04 апр 2014, 16:38
- Откуда: Астрахань
- Благодарил (а): 11 раз.
- Поблагодарили: 0 раз.
- Имя: Сергей
- Откуда: Астрахань
- Тел.: 89608585809
Re: !Внезапный вопрос - Мгновенный ответ!
Серега 30rus писал(а):Серега 30rus писал(а):Подскажите пожалуйста , система полного привода как правильно называется ? К примеру : постоянный полный , Full 4 wd !
Имеется в виду турбо трек
фулл-тайм наверное!
- AvtoMoto
- Клубень Stage 1
- Статус: Не в сети
- Сообщений: 74
- Зарегистрирован: 13 апр 2016, 09:14
- Благодарил (а): 6 раз.
- Поблагодарили: 3 раз.
- Имя: Валерий
- Откуда: Тихорецк
- Тел.: 89615064023
Re: !Внезапный вопрос - Мгновенный ответ!
Strogan писал(а):Ничего там не упрется
эво рейка упирается регулятором вот в этот отвод на коллекторе
-

ChiM - Клубень Unlim 500+
- Статус: Не в сети
- Сообщений: 1777
- Зарегистрирован: 06 июл 2012, 00:36
- Откуда: Хабаровск
- Благодарил (а): 277 раз.
- Поблагодарили: 228 раз.
- Имя: Андрей
- Откуда: Хабаровск
Re: !Внезапный вопрос - Мгновенный ответ!
Парни вопрос , глохнет при резком нажатии на педаль газа , трогаться приходится плавно педалируя газом, стоишь на светофоре чутт резко пнул сразу глохнет, куда капнуть изначально ?
мой трек тут https://www.drive2.ru/r/mitsubishi/1543749/
-

serega30rus - Клубень Stage 1
- Статус: Не в сети
- Сообщений: 107
- Зарегистрирован: 19 дек 2015, 14:31
- Благодарил (а): 16 раз.
- Поблагодарили: 3 раз.
- Имя: Серега
- Откуда: Астрахань
Re: !Внезапный вопрос - Мгновенный ответ!
Смесь какая? Может перелив.
Если нет ШЛЗ - нам не о чем разговаривать )
Если нет ШЛЗ - нам не о чем разговаривать )
Я на Вконтакте /// Мой проект Airtrek Turbo "White Power" /// Турбоястреб на DRIVE2.RU
Турбосемья - мы всегда найдем чего бы у вас обосрать! (c)
Cколько людей, столько раз тебя и обосрут за твое мнение (c)
-

C00LM4N - Злой Админъ
- Статус: Не в сети
- Сообщений: 9972
- Зарегистрирован: 04 июл 2012, 10:02
- Откуда: Москва
- Благодарил (а): 586 раз.
- Поблагодарили: 1440 раз.
- Имя: Сергей
- Откуда: Москва
Re: !Внезапный вопрос - Мгновенный ответ!
Наелся клапан вентиляции картерных газов (дуется в обе стороны)
Стоял от Эво , ценник просто конь MD301843 - 1570,00р, от трека чуть дешевле (писец за шарик и пружинку 1,5к)
Народ подскажите от чего замену посмотреть?
Стоял от Эво , ценник просто конь MD301843 - 1570,00р, от трека чуть дешевле (писец за шарик и пружинку 1,5к)
Народ подскажите от чего замену посмотреть?
- Evg
- Клубень Stage 1
- Статус: Не в сети
- Сообщений: 215
- Зарегистрирован: 18 май 2015, 08:09
- Благодарил (а): 3 раз.
- Поблагодарили: 18 раз.
- Имя: Евгений
- Откуда: Челябинск
Re: !Внезапный вопрос - Мгновенный ответ!
Вот такой с ебея бери http://www.ebay.com/itm/Aluminium-Fuel- ... xR2ki-tfmA
Только размер сосков я не помню, проверь какой нужен.
Ставить в разрез шланга вентиляции.
Ну или аналогичный в наших магазах смотри, если срочно.
2 бара держит отлично.
Только размер сосков я не помню, проверь какой нужен.
Ставить в разрез шланга вентиляции.
Ну или аналогичный в наших магазах смотри, если срочно.
2 бара держит отлично.
Я на Вконтакте /// Мой проект Airtrek Turbo "White Power" /// Турбоястреб на DRIVE2.RU
Турбосемья - мы всегда найдем чего бы у вас обосрать! (c)
Cколько людей, столько раз тебя и обосрут за твое мнение (c)
-

C00LM4N - Злой Админъ
- Статус: Не в сети
- Сообщений: 9972
- Зарегистрирован: 04 июл 2012, 10:02
- Откуда: Москва
- Благодарил (а): 586 раз.
- Поблагодарили: 1440 раз.
- Имя: Сергей
- Откуда: Москва
Re: !Внезапный вопрос - Мгновенный ответ!
C00LM4N писал(а):Вот такой с ебея бери http://www.ebay.com/itm/Aluminium-Fuel- ... xR2ki-tfmA
Только размер сосков я не помню, проверь какой нужен.
Ставить в разрез шланга вентиляции.
Ну или аналогичный в наших магазах смотри, если срочно.
2 бара держит отлично.
Dimensions - это радиус или диаметр? Внешний или внутренний?
А если от таза подобрать выдержит 1,5-2 бара?
- Evg
- Клубень Stage 1
- Статус: Не в сети
- Сообщений: 215
- Зарегистрирован: 18 май 2015, 08:09
- Благодарил (а): 3 раз.
- Поблагодарили: 18 раз.
- Имя: Евгений
- Откуда: Челябинск
Кто сейчас на форуме
Сейчас этот форум просматривают: нет зарегистрированных пользователей и гости: 18

TuningEvo.Club Shop
TuningEvo.Club
Club Mail