Тормоза и все, что с ними связано.
Тормоза и все, что с ними связано.
Нужно было начинать новую тему)
Под рейстал ГТО переходники нужны или нет под суппорта?
Внес ссылки (Dimarik)
ПЕРЕХОДНИКИ ПОД ГТО viewtopic.php?f=5&t=14&start=725#p74758
ПЕРЕХОДНИКИ ПОД БРЕМБО viewtopic.php?f=5&t=14&p=205#p219
Соберем тут всю инфу по разным тормозам:
колодки ELT960-для 350Z - встают брембо тормозилки от BMW e38
Под рейстал ГТО переходники нужны или нет под суппорта?
Внес ссылки (Dimarik)
ПЕРЕХОДНИКИ ПОД ГТО viewtopic.php?f=5&t=14&start=725#p74758
ПЕРЕХОДНИКИ ПОД БРЕМБО viewtopic.php?f=5&t=14&p=205#p219
Соберем тут всю инфу по разным тормозам:
колодки ELT960-для 350Z - встают брембо тормозилки от BMW e38
MB R320CDI 4matik@MMC "i" mini turbo@Suzuki Escudo Квадрат
-

KENTos - Клубень Stage 2
- Автор темы
- Статус: Не в сети
- Сообщений: 466
- Зарегистрирован: 05 июл 2012, 09:24
- Благодарил (а): 107 раз.
- Поблагодарили: 80 раз.
- Имя: Евгений
- Откуда: Екатеринбург
Re: Тормоза и все, что с ними связано.
нужны.
под рестайл и дорестайл нужны одинаковые переходники, если ставить рестайл и дорестайл диски.
под рестайл и дорестайл нужны одинаковые переходники, если ставить рестайл и дорестайл диски.
-

jam - аЦЦкей Сатана
- Статус: Не в сети
- Сообщений: 7762
- Зарегистрирован: 04 июл 2012, 10:07
- Благодарил (а): 322 раз.
- Поблагодарили: 1317 раз.
- Имя: Антон
- Откуда: Дзержинский
Re: Тормоза и все, что с ними связано.
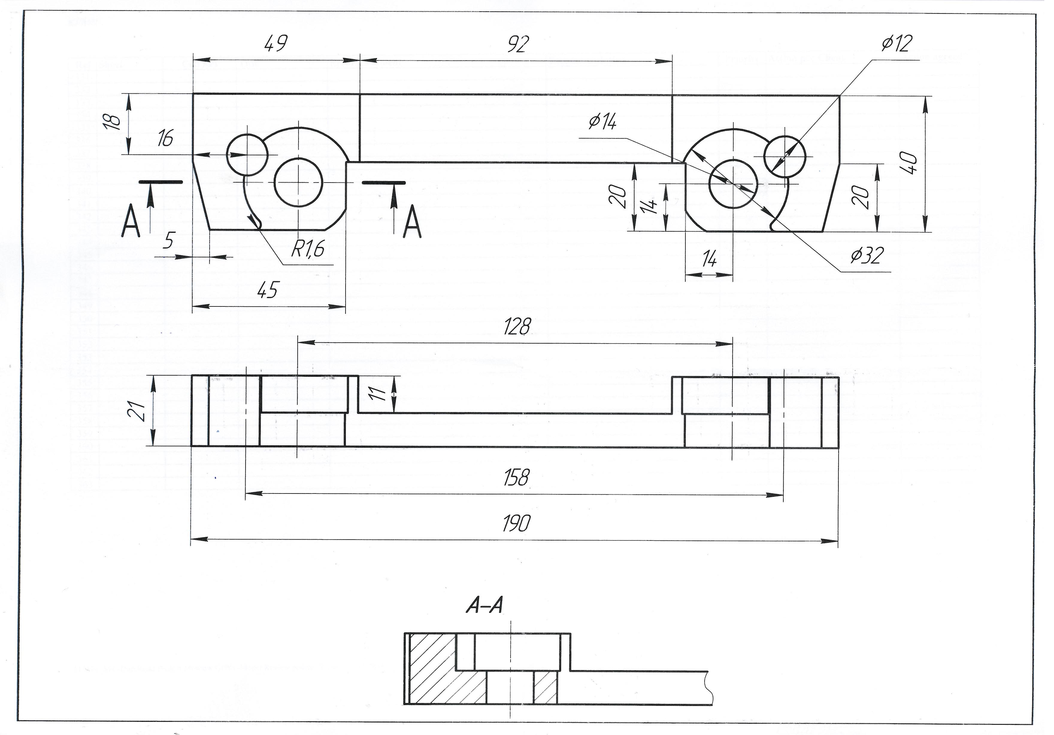
А чёртёжик есть?
-

Dimarik - Капитан улитка!
- Статус: Не в сети
- Сообщений: 8220
- Зарегистрирован: 04 июл 2012, 10:31
- Благодарил (а): 789 раз.
- Поблагодарили: 976 раз.
- Имя: Дмитрий
- Откуда: Москва
Re: Тормоза и все, что с ними связано.
А переходник, большая тайна? Или можешь её в массы выложить?))
MB R320CDI 4matik@MMC "i" mini turbo@Suzuki Escudo Квадрат
-

KENTos - Клубень Stage 2
- Автор темы
- Статус: Не в сети
- Сообщений: 466
- Зарегистрирован: 05 июл 2012, 09:24
- Благодарил (а): 107 раз.
- Поблагодарили: 80 раз.
- Имя: Евгений
- Откуда: Екатеринбург
Re: Тормоза и все, что с ними связано.
вопрос: данный переходник подойдет под брембы?
-

hakke.net - Клубень Unlim 500+
- Статус: Забанен!
- Сообщений: 1060
- Зарегистрирован: 04 июл 2012, 15:30
- Благодарил (а): 10 раз.
- Поблагодарили: 109 раз.
- Имя: Илья
- Откуда: Москва
Re: Тормоза и все, что с ними связано.
можно кстати попробовать замутить на заводе пару-тройку комплектов переходников. но надо точно понять брембо с эво-дисками встанут с ними или нет.
-

hakke.net - Клубень Unlim 500+
- Статус: Забанен!
- Сообщений: 1060
- Зарегистрирован: 04 июл 2012, 15:30
- Благодарил (а): 10 раз.
- Поблагодарили: 109 раз.
- Имя: Илья
- Откуда: Москва
Re: Тормоза и все, что с ними связано.
hakke.net писал(а):можно кстати попробовать замутить на заводе пару-тройку комплектов переходников. но надо точно понять брембо с эво-дисками встанут с ними или нет.
ПЕРЕХОДНИК ПОД БРЕМБО
- Вложения
-
переход (1).zip- (483.38 KiB) Скачиваний: 1150
Последний раз редактировалось Dimarik 05 июл 2012, 11:38, всего редактировалось 1 раз.
-

Dimarik - Капитан улитка!
- Статус: Не в сети
- Сообщений: 8220
- Зарегистрирован: 04 июл 2012, 10:31
- Благодарил (а): 789 раз.
- Поблагодарили: 976 раз.
- Имя: Дмитрий
- Откуда: Москва
Re: Тормоза и все, что с ними связано.
скажем тогда так, под какой диаметр дисков этот переходник. тк брембо на него по отверстиям тоже должны встать. вопрос весь в выносе суппорта и диаметре диска под него.
от гто нет смысла ставить тормоза, проще замутить от селики без переходника.
от гто нет смысла ставить тормоза, проще замутить от селики без переходника.
-

hakke.net - Клубень Unlim 500+
- Статус: Забанен!
- Сообщений: 1060
- Зарегистрирован: 04 июл 2012, 15:30
- Благодарил (а): 10 раз.
- Поблагодарили: 109 раз.
- Имя: Илья
- Откуда: Москва
Re: Тормоза и все, что с ними связано.
hakke.net писал(а):от гто нет смысла ставить тормоза, проще замутить от селики без переходника.
Сколько людей - столько мнений )
От какой селики? 205й турбо?
Никогда, слышите, никогда не пользуйтесь поиском по форуму! Вы и так уже достаточно потрудились, найдя сам форум в Гугле или Яндексе, а всё остальное вам должны рассказать.©
-

nikshapilov - Люблю всё любить
- Статус: Не в сети
- Сообщений: 2291
- Зарегистрирован: 04 июл 2012, 15:57
- Благодарил (а): 369 раз.
- Поблагодарили: 336 раз.
- Имя: Никита
- Откуда: Видное М.О.
Re: Тормоза и все, что с ними связано.
Я себе ставил без переходников рестайловые(под диск 315мм) тормоза от ГТО, но у меня на кулаке разлет отверстий 160мм.
-

Homa - Клубень Unlim 500+
- Статус: Не в сети
- Сообщений: 1529
- Зарегистрирован: 05 июл 2012, 11:14
- Откуда: Питер
- Благодарил (а): 42 раз.
- Поблагодарили: 211 раз.
- Имя: Александр
- Откуда: СПб.
Re: Тормоза и все, что с ними связано.
Homa писал(а):Я себе ставил без переходников рестайловые(под диск 315мм) тормоза от ГТО, но у меня на кулаке разлет отверстий 160мм.
логично:)
-

hakke.net - Клубень Unlim 500+
- Статус: Забанен!
- Сообщений: 1060
- Зарегистрирован: 04 июл 2012, 15:30
- Благодарил (а): 10 раз.
- Поблагодарили: 109 раз.
- Имя: Илья
- Откуда: Москва
Re: Тормоза и все, что с ними связано.
nikshapilov писал(а):hakke.net писал(а):от гто нет смысла ставить тормоза, проще замутить от селики без переходника.
Сколько людей - столько мнений )
От какой селики? 205й турбо?
у других "нет" тормозов.
знаю точно, что наши стоковые тормоза ставят почти без переделок на тойоты. значит и обратную манипуляцию можно произвести, но они стоят довольно прилично. и пока не ясно под какой диаметр диска встанут.
-

hakke.net - Клубень Unlim 500+
- Статус: Забанен!
- Сообщений: 1060
- Зарегистрирован: 04 июл 2012, 15:30
- Благодарил (а): 10 раз.
- Поблагодарили: 109 раз.
- Имя: Илья
- Откуда: Москва
Re: Тормоза и все, что с ними связано.
Homa писал(а):Я себе ставил без переходников рестайловые(под диск 315мм) тормоза от ГТО, но у меня на кулаке разлет отверстий 160мм.
вопрос: от рвр к нам кулаки не подойдут?
кароче что нужно сделать, чтоб поставить брембо без переходников? что от чего брать.
-

hakke.net - Клубень Unlim 500+
- Статус: Забанен!
- Сообщений: 1060
- Зарегистрирован: 04 июл 2012, 15:30
- Благодарил (а): 10 раз.
- Поблагодарили: 109 раз.
- Имя: Илья
- Откуда: Москва
Re: Тормоза и все, что с ними связано.
Ну все))) Вчера на дроме выиграл суппорта от рейстала ГТО всборе с кулаками (7500 рублей), будем ждать и ставить...
Шланги менять надо?
Шланги менять надо?
MB R320CDI 4matik@MMC "i" mini turbo@Suzuki Escudo Квадрат
-

KENTos - Клубень Stage 2
- Автор темы
- Статус: Не в сети
- Сообщений: 466
- Зарегистрирован: 05 июл 2012, 09:24
- Благодарил (а): 107 раз.
- Поблагодарили: 80 раз.
- Имя: Евгений
- Откуда: Екатеринбург
Re: Тормоза и все, что с ними связано.
Желательно, т.к. родные в натяг получаются.
а если менять их, то имеет смысл сразу же и другие купить, не под банжо-болт, как у нас, а под штуцер с конусом, т.к. именно такие нужны под эти суппорта.
а если менять их, то имеет смысл сразу же и другие купить, не под банжо-болт, как у нас, а под штуцер с конусом, т.к. именно такие нужны под эти суппорта.
-

jam - аЦЦкей Сатана
- Статус: Не в сети
- Сообщений: 7762
- Зарегистрирован: 04 июл 2012, 10:07
- Благодарил (а): 322 раз.
- Поблагодарили: 1317 раз.
- Имя: Антон
- Откуда: Дзержинский
Re: Тормоза и все, что с ними связано.
А у них номерок есть? Или какие нибудь данные (размеры и т.д.)
MB R320CDI 4matik@MMC "i" mini turbo@Suzuki Escudo Квадрат
-

KENTos - Клубень Stage 2
- Автор темы
- Статус: Не в сети
- Сообщений: 466
- Зарегистрирован: 05 июл 2012, 09:24
- Благодарил (а): 107 раз.
- Поблагодарили: 80 раз.
- Имя: Евгений
- Откуда: Екатеринбург
Re: Тормоза и все, что с ними связано.
я ставил шланги передние армированные от Эво
-

В888МВ96 - Клубень Unlim 500+
- Статус: Не в сети
- Сообщений: 1546
- Зарегистрирован: 05 июл 2012, 06:54
- Откуда: Екатеринбург
- Благодарил (а): 195 раз.
- Поблагодарили: 172 раз.
- Имя: Евгений
- Откуда: Екатеринбург
Re: Тормоза и все, что с ними связано.
Родные шланги состоят из 2 частей
310+257
То есть тебе надо как минимум шланг длиннее 257мм.
310+257
То есть тебе надо как минимум шланг длиннее 257мм.
-

Homa - Клубень Unlim 500+
- Статус: Не в сети
- Сообщений: 1529
- Зарегистрирован: 05 июл 2012, 11:14
- Откуда: Питер
- Благодарил (а): 42 раз.
- Поблагодарили: 211 раз.
- Имя: Александр
- Откуда: СПб.
Re: Тормоза и все, что с ними связано.
не знаю номера. я покупал гудричи в проме, длинна их 55см была, за глаза просто! =)
-

jam - аЦЦкей Сатана
- Статус: Не в сети
- Сообщений: 7762
- Зарегистрирован: 04 июл 2012, 10:07
- Благодарил (а): 322 раз.
- Поблагодарили: 1317 раз.
- Имя: Антон
- Откуда: Дзержинский
Re: Тормоза и все, что с ними связано.
такого не может быть 
мэйби на рвр длиннее, на треке короче.
мэйби на рвр длиннее, на треке короче.
-

jam - аЦЦкей Сатана
- Статус: Не в сети
- Сообщений: 7762
- Зарегистрирован: 04 июл 2012, 10:07
- Благодарил (а): 322 раз.
- Поблагодарили: 1317 раз.
- Имя: Антон
- Откуда: Дзержинский
Re: Тормоза и все, что с ними связано.
Я инфу из АСЫ беру по турботреку именно!
Родные шланги состоят из 2 частей
310+257 итого в сумме 567мм
Родные шланги состоят из 2 частей
310+257 итого в сумме 567мм
-

Homa - Клубень Unlim 500+
- Статус: Не в сети
- Сообщений: 1529
- Зарегистрирован: 05 июл 2012, 11:14
- Откуда: Питер
- Благодарил (а): 42 раз.
- Поблагодарили: 211 раз.
- Имя: Александр
- Откуда: СПб.
Re: Тормоза и все, что с ними связано.
если память не изменяет, то в багажнике лежит родной шланг, я его сегодня спецом замерю рулеткой 
-

jam - аЦЦкей Сатана
- Статус: Не в сети
- Сообщений: 7762
- Зарегистрирован: 04 июл 2012, 10:07
- Благодарил (а): 322 раз.
- Поблагодарили: 1317 раз.
- Имя: Антон
- Откуда: Дзержинский
Re: Тормоза и все, что с ними связано.
У меня тоже шланги из Промы, порядка 60 см длина, точнее не скажу, не то чтобы впритык, но были бы короче на пару см - не хватило бы
"Мне кажется, если бы было 8 педалей на механике, гонщики всё равно бы не выбрали автомат."
С уважением, Алексей.
http://www.drive2.ru/r/mitsubishi/696699/
Дешевые биокамины с бесплатной доставкой
С уважением, Алексей.
http://www.drive2.ru/r/mitsubishi/696699/
Дешевые биокамины с бесплатной доставкой
-

invictus - Я Максим Галкин! Где Алла?
- Статус: Не в сети
- Сообщений: 1512
- Зарегистрирован: 06 июл 2012, 22:15
- Откуда: Санкт-Петербург
- Благодарил (а): 228 раз.
- Поблагодарили: 80 раз.
- Имя: Алёша
- Откуда: Санкт-Петербург
Re: Тормоза и все, что с ними связано.
Парни, не знаю как вы, но я мечтаю раскурочить трек Зубкин и узнать, как же ему установили задние тормозы от туарега, ибо суппорта эти стоят смешных денег и встают вместе с родными эвовскими тормозными дисками! Костя, ау 
"Мне кажется, если бы было 8 педалей на механике, гонщики всё равно бы не выбрали автомат."
С уважением, Алексей.
http://www.drive2.ru/r/mitsubishi/696699/
Дешевые биокамины с бесплатной доставкой
С уважением, Алексей.
http://www.drive2.ru/r/mitsubishi/696699/
Дешевые биокамины с бесплатной доставкой
-

invictus - Я Максим Галкин! Где Алла?
- Статус: Не в сети
- Сообщений: 1512
- Зарегистрирован: 06 июл 2012, 22:15
- Откуда: Санкт-Петербург
- Благодарил (а): 228 раз.
- Поблагодарили: 80 раз.
- Имя: Алёша
- Откуда: Санкт-Петербург
Вернуться в Ходовая и тормозная система
Кто сейчас на форуме
Сейчас этот форум просматривают: нет зарегистрированных пользователей и гости: 15

TuningEvo.Club Shop
TuningEvo.Club
Club Mail