форсунки 560сс и толще
Re: форсунки 560сс и толще
А 750 форсы на какое давление хватит?
-

VHSU - Клубень
- Статус: Не в сети
- Сообщений: 15
- Зарегистрирован: 13 авг 2013, 19:35
- Откуда: СПб
- Благодарил (а): 3 раз.
- Поблагодарили: 3 раз.
- Имя: Владимир
- Откуда: Санкт-Петербург
Re: форсунки 560сс и толще
Все зависит от состояния двигателя, турбины, выпуска и тд., это тебе настройщик твой скажет. Теоретически должно хватать на 400 лс.
Тормоза придумали трусы......
-

votblin - Клубень Stage 3
- Статус: Не в сети
- Сообщений: 637
- Зарегистрирован: 26 авг 2014, 17:55
- Благодарил (а): 198 раз.
- Поблагодарили: 70 раз.
- Имя: Михаил
- Откуда: Новороссийск
- Тел.: +79180616441
Re: форсунки 560сс и толще
михаил82 писал(а):Лишнее сточить, резинки подобрать.
Зы - форсы конечно говно ты себе купил
Хотелось бы узнать чем же так плохи данные свечи, RC Engineering SH4-750 ?
-

VHSU - Клубень
- Статус: Не в сети
- Сообщений: 15
- Зарегистрирован: 13 авг 2013, 19:35
- Откуда: СПб
- Благодарил (а): 3 раз.
- Поблагодарили: 3 раз.
- Имя: Владимир
- Откуда: Санкт-Петербург
Re: форсунки 560сс и толще
Тем что они низкоомное доисторическое гумно
Низкоомные, они же Saturated
Высокоомные, они же Peak and hold
Saturated. Мозги умеют просто коммутировать напряжение в бортовой сети, т.е. подавать на форсунку 12 вольт (в реале до 14,5 вольт) или 0 вольт. За током следить они не умеют. Форсунка намотана толстым проводом, мало витков, отсюда низкое сопротивление. Форсунка - это не что иное как катушка индуктивности. При подаче на неё напряжения, ток увеличивается в ней плавно и через ~150мкс стабилизируется. После чего форсунка из себя представляет "гвоздь" и если ток не ограничивать, то перегреется как форсунка, так и управляющий транзистор в мозгах. Чтобы ограничить ток и ставится резистор, который ограничивает ток. Так как на этом резисторе выделяется достаточно много энергии, то он исполняется в отдельном корпусе с радиатором.
Peak and hold. В мозгах устанавливается не просто транзистор, а спешл драйвер. Драйвер умеет управлять напряжением на форсунке и контроллировать ток, протекающий через неё. Драйвер имеет цепь "вольт-добавки" и в момент включения форсунки выдает напряжение выше бортовой сети 24-48 вольт, стараясь этим закачать в форсунку как можно больше тока, чтобы форсунка открылась как можно быстрее. Это и есть "Peek". По мере роста тока, протекающего через форсунку, драйвер снижает напряжение. Когда форсунка открылась и ток стабилизировался, драйвер удерживает небольшое напряжение, обеспечивая минимально необходимый ток требуемый для форсунки, чтобы она не закрылась. Это и есть "Hold". В момент закрытия форсунки, некоторые драйверы могут подавать даже обратное напряжение для ускорения процесса закрытия форсунки. Для такой системы низкоомная обмотка уже не нужна и форсунка представляет из себя катушку намотанную тонким проводом с большим кол-ом обмоток.
Преимущество Saturated только одно. Более дешевое.
Преимущества Peek and Hold гораздо больше. Меньше потребление энергии. Время открытия и закрытия форсунки не зависит от напряжения в борт сети. И т.п.
Высокоомные, они же Peak and hold
Saturated. Мозги умеют просто коммутировать напряжение в бортовой сети, т.е. подавать на форсунку 12 вольт (в реале до 14,5 вольт) или 0 вольт. За током следить они не умеют. Форсунка намотана толстым проводом, мало витков, отсюда низкое сопротивление. Форсунка - это не что иное как катушка индуктивности. При подаче на неё напряжения, ток увеличивается в ней плавно и через ~150мкс стабилизируется. После чего форсунка из себя представляет "гвоздь" и если ток не ограничивать, то перегреется как форсунка, так и управляющий транзистор в мозгах. Чтобы ограничить ток и ставится резистор, который ограничивает ток. Так как на этом резисторе выделяется достаточно много энергии, то он исполняется в отдельном корпусе с радиатором.
Peak and hold. В мозгах устанавливается не просто транзистор, а спешл драйвер. Драйвер умеет управлять напряжением на форсунке и контроллировать ток, протекающий через неё. Драйвер имеет цепь "вольт-добавки" и в момент включения форсунки выдает напряжение выше бортовой сети 24-48 вольт, стараясь этим закачать в форсунку как можно больше тока, чтобы форсунка открылась как можно быстрее. Это и есть "Peek". По мере роста тока, протекающего через форсунку, драйвер снижает напряжение. Когда форсунка открылась и ток стабилизировался, драйвер удерживает небольшое напряжение, обеспечивая минимально необходимый ток требуемый для форсунки, чтобы она не закрылась. Это и есть "Hold". В момент закрытия форсунки, некоторые драйверы могут подавать даже обратное напряжение для ускорения процесса закрытия форсунки. Для такой системы низкоомная обмотка уже не нужна и форсунка представляет из себя катушку намотанную тонким проводом с большим кол-ом обмоток.
Преимущество Saturated только одно. Более дешевое.
Преимущества Peek and Hold гораздо больше. Меньше потребление энергии. Время открытия и закрытия форсунки не зависит от напряжения в борт сети. И т.п.
https://www.drive2.ru/r/mitsubishi/lanc ... n/1650973/
Самое херовое что можно сделать с аиртреком - свапнуть туда меху.
А спустя год полтора ты поймешь, что покупка трека это была большая ошибка, но будет поздно - закопано бабла уже много и отступать некуда...толи дело Алёша наебал судьбу трижды хитрый х*й.
Продать трека = признать свою слабость и сдаться.
Самое херовое что можно сделать с аиртреком - свапнуть туда меху.
А спустя год полтора ты поймешь, что покупка трека это была большая ошибка, но будет поздно - закопано бабла уже много и отступать некуда...толи дело Алёша наебал судьбу трижды хитрый х*й.
Продать трека = признать свою слабость и сдаться.
-

михаил82 - Душитель минводный
- Статус: Не в сети
- Сообщений: 7559
- Зарегистрирован: 22 ноя 2012, 12:02
- Откуда: от туда
- Благодарил (а): 868 раз.
- Поблагодарили: 1083 раз.
- Имя: михаил
- Откуда: мин.воды - саратов
- Тел.: 02
Re: форсунки 560сс и толще
Преимущество высокоомных есть только тогда, когда у тебя драйвер форсунок есть. У нас его нет. Так что пофигу.
Просто RC сами по себе говно )
Просто RC сами по себе говно )
Я на Вконтакте /// Мой проект Airtrek Turbo "White Power" /// Турбоястреб на DRIVE2.RU
Турбосемья - мы всегда найдем чего бы у вас обосрать! (c)
Cколько людей, столько раз тебя и обосрут за твое мнение (c)
-

C00LM4N - Злой Админъ
- Статус: Не в сети
- Сообщений: 9972
- Зарегистрирован: 04 июл 2012, 10:02
- Откуда: Москва
- Благодарил (а): 586 раз.
- Поблагодарили: 1440 раз.
- Имя: Сергей
- Откуда: Москва
Re: форсунки 560сс и толще
Вообще то у них сопротивление 12,5 Ом, почему они низкоомные?
http://www.rceng.com/Saturated-Injector ... P63C0.aspx
Тема RC говно потому что они RC так и не раскрыта
http://www.rceng.com/Saturated-Injector ... P63C0.aspx
Тема RC говно потому что они RC так и не раскрыта

Последний раз редактировалось VHSU 25 дек 2016, 19:17, всего редактировалось 1 раз.
-

VHSU - Клубень
- Статус: Не в сети
- Сообщений: 15
- Зарегистрирован: 13 авг 2013, 19:35
- Откуда: СПб
- Благодарил (а): 3 раз.
- Поблагодарили: 3 раз.
- Имя: Владимир
- Откуда: Санкт-Петербург
Re: форсунки 560сс и толще
C00LM4N писал(а):Преимущество высокоомных есть только тогда, когда у тебя драйвер форсунок есть. У нас его нет. Так что пофигу.
Просто RC сами по себе говно )
Как раз драйвер форсунок и ставят на машины где в стоке стояли высокоомные для обеспечения режима работы низкоомных форсунок PEAK & HOLD, при чем здесь преимущество высокоомных?
http://www.dsm-club.org/forum/showthread.php?p=595964
-

VHSU - Клубень
- Статус: Не в сети
- Сообщений: 15
- Зарегистрирован: 13 авг 2013, 19:35
- Откуда: СПб
- Благодарил (а): 3 раз.
- Поблагодарили: 3 раз.
- Имя: Владимир
- Откуда: Санкт-Петербург
Re: форсунки 560сс и толще
Покажешь где на аиртреках с завода с высокоомными форсами драйвер стоит?
Я на Вконтакте /// Мой проект Airtrek Turbo "White Power" /// Турбоястреб на DRIVE2.RU
Турбосемья - мы всегда найдем чего бы у вас обосрать! (c)
Cколько людей, столько раз тебя и обосрут за твое мнение (c)
-

C00LM4N - Злой Админъ
- Статус: Не в сети
- Сообщений: 9972
- Зарегистрирован: 04 июл 2012, 10:02
- Откуда: Москва
- Благодарил (а): 586 раз.
- Поблагодарили: 1440 раз.
- Имя: Сергей
- Откуда: Москва
Re: форсунки 560сс и толще
Драйвер форсунок применяется в основном на двигателях с непосредственным впрыском, где рабочее давление в топливной рампе 50-70 бар. Там нужны очень большие токи для открытия форсунки, напряжение открытия 100-120В, но малое время импульса. Затем, чтобы не сгорела обмотка, удержание малым напряжением 12В.
Диагностика, ремонт и обслуживание Mitsubishi
-

VVV - Владислав? Baby don't hurt me
- Статус: Не в сети
- Сообщений: 2119
- Зарегистрирован: 24 сен 2012, 19:46
- Благодарил (а): 106 раз.
- Поблагодарили: 336 раз.
- Имя: Влад
- Откуда: Москва
- Тел.: +79O377O8539
Re: форсунки 560сс и толще
VHSU писал(а):Тема RC говно потому что они RC так и не раскрыта
Просто прочти подпись Кульмана и ты всё поймешь
-

act1v - Клубень
- Статус: Не в сети
- Сообщений: 41
- Зарегистрирован: 09 ноя 2015, 13:54
- Благодарил (а): 17 раз.
- Поблагодарили: 2 раз.
- Имя: Roman
- Откуда: Новосибирск
Re: форсунки 560сс и толще
C00LM4N писал(а):Покажешь где на аиртреках с завода с высокоомными форсами драйвер стоит?
Я не утверждаю что в стоке на турботреке стоял драйвер форсунок, я говорю о том, что для работы высокоомных форсунок он не нужен, он нужен для корректной работы низкоомных форсунок. И ставят его при переходе с высокоомных форсунок (в стоке) на низкоомные в погоне за большей мощностью для их корректной работы в режиме Peak & Hold.
Вот по теме
http://www.dsm-club.org/forum/showthrea ... 932&page=2
https://www.drive2.ru/l/4987964/
-

VHSU - Клубень
- Статус: Не в сети
- Сообщений: 15
- Зарегистрирован: 13 авг 2013, 19:35
- Откуда: СПб
- Благодарил (а): 3 раз.
- Поблагодарили: 3 раз.
- Имя: Владимир
- Откуда: Санкт-Петербург
Re: форсунки 560сс и толще
михаил82 писал(а):Тем что они низкоомное доисторическое гумноНизкоомные, они же Saturated
Высокоомные, они же Peak and hold
Saturated. Мозги умеют просто коммутировать напряжение в бортовой сети, т.е. подавать на форсунку 12 вольт (в реале до 14,5 вольт) или 0 вольт. За током следить они не умеют. Форсунка намотана толстым проводом, мало витков, отсюда низкое сопротивление. Форсунка - это не что иное как катушка индуктивности. При подаче на неё напряжения, ток увеличивается в ней плавно и через ~150мкс стабилизируется. После чего форсунка из себя представляет "гвоздь" и если ток не ограничивать, то перегреется как форсунка, так и управляющий транзистор в мозгах. Чтобы ограничить ток и ставится резистор, который ограничивает ток. Так как на этом резисторе выделяется достаточно много энергии, то он исполняется в отдельном корпусе с радиатором.
Peak and hold. В мозгах устанавливается не просто транзистор, а спешл драйвер. Драйвер умеет управлять напряжением на форсунке и контроллировать ток, протекающий через неё. Драйвер имеет цепь "вольт-добавки" и в момент включения форсунки выдает напряжение выше бортовой сети 24-48 вольт, стараясь этим закачать в форсунку как можно больше тока, чтобы форсунка открылась как можно быстрее. Это и есть "Peek". По мере роста тока, протекающего через форсунку, драйвер снижает напряжение. Когда форсунка открылась и ток стабилизировался, драйвер удерживает небольшое напряжение, обеспечивая минимально необходимый ток требуемый для форсунки, чтобы она не закрылась. Это и есть "Hold". В момент закрытия форсунки, некоторые драйверы могут подавать даже обратное напряжение для ускорения процесса закрытия форсунки. Для такой системы низкоомная обмотка уже не нужна и форсунка представляет из себя катушку намотанную тонким проводом с большим кол-ом обмоток.
Преимущество Saturated только одно. Более дешевое.
Преимущества Peek and Hold гораздо больше. Меньше потребление энергии. Время открытия и закрытия форсунки не зависит от напряжения в борт сети. И т.п.
Тут вы прям неправы с описанием, причём ортогонально пик н холд как раз таки имеют резистор и контроль тока (он кстати у всех есть, иначе как определить кз)
- eulledee
- Клубень Stage 1
- Статус: Не в сети
- Сообщений: 99
- Зарегистрирован: 14 авг 2015, 16:10
- Благодарил (а): 1 раз.
- Поблагодарили: 26 раз.
- Имя: Абрам
- Откуда: кырск
Re: форсунки 560сс и толще
Имеется в виду резистор не для измерения тока, а просто балластный. Когда низкоомные форсунки подключаются напрямую к мозгу.
Насколько я понимаю, высокоомные - для управления от мозга напрямую. Низкоомные - для использования совместно с peak&hold драйвером. Джедайные форсунки имеют сопротивление около 1Ом и там как раз драйвер на 100+ Вольт.
Насколько я понимаю, высокоомные - для управления от мозга напрямую. Низкоомные - для использования совместно с peak&hold драйвером. Джедайные форсунки имеют сопротивление около 1Ом и там как раз драйвер на 100+ Вольт.
Я на Вконтакте /// Мой проект Airtrek Turbo "White Power" /// Турбоястреб на DRIVE2.RU
Турбосемья - мы всегда найдем чего бы у вас обосрать! (c)
Cколько людей, столько раз тебя и обосрут за твое мнение (c)
-

C00LM4N - Злой Админъ
- Статус: Не в сети
- Сообщений: 9972
- Зарегистрирован: 04 июл 2012, 10:02
- Откуда: Москва
- Благодарил (а): 586 раз.
- Поблагодарили: 1440 раз.
- Имя: Сергей
- Откуда: Москва
Re: форсунки 560сс и толще
пик н холд без резистора? зотейливо..
- eulledee
- Клубень Stage 1
- Статус: Не в сети
- Сообщений: 99
- Зарегистрирован: 14 авг 2015, 16:10
- Благодарил (а): 1 раз.
- Поблагодарили: 26 раз.
- Имя: Абрам
- Откуда: кырск
Re: форсунки 560сс и толще
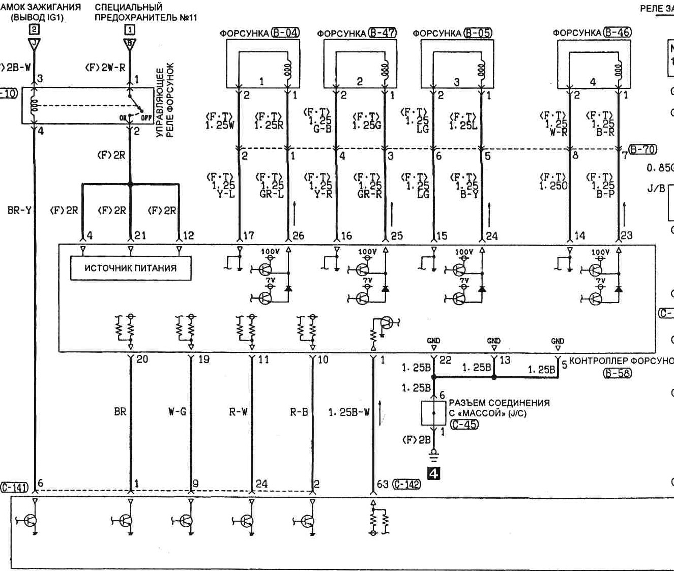
Вот так устроен жидиай, обратите внимание на холодные выводы форсунок
- eulledee
- Клубень Stage 1
- Статус: Не в сети
- Сообщений: 99
- Зарегистрирован: 14 авг 2015, 16:10
- Благодарил (а): 1 раз.
- Поблагодарили: 26 раз.
- Имя: Абрам
- Откуда: кырск
Re: форсунки 560сс и толще
А где тут мощные гасящие резисторы, как в резистор-боксе для низкоомных форсунок? Форуснки напрямую на силовые ключи заведены.
Я на Вконтакте /// Мой проект Airtrek Turbo "White Power" /// Турбоястреб на DRIVE2.RU
Турбосемья - мы всегда найдем чего бы у вас обосрать! (c)
Cколько людей, столько раз тебя и обосрут за твое мнение (c)
-

C00LM4N - Злой Админъ
- Статус: Не в сети
- Сообщений: 9972
- Зарегистрирован: 04 июл 2012, 10:02
- Откуда: Москва
- Благодарил (а): 586 раз.
- Поблагодарили: 1440 раз.
- Имя: Сергей
- Откуда: Москва
Re: форсунки 560сс и толще
Я же не зря предложил обратить внимание, резисторы там не рассеивающие, токоизмерительные шунты емнип в виде дорожек, ну если оч надо могу пойти выкопать модуль в гараже, но лень. Принцип формирования уроня тока разный, здесь два источника и транзисторы в ключевом режиме, пнх в линейном, может какие современные и умеют ШИМ но сомневаюсь.
- eulledee
- Клубень Stage 1
- Статус: Не в сети
- Сообщений: 99
- Зарегистрирован: 14 авг 2015, 16:10
- Благодарил (а): 1 раз.
- Поблагодарили: 26 раз.
- Имя: Абрам
- Откуда: кырск
Re: форсунки 560сс и толще
три дня назад установил ярко синие сти на аута, скалинг 550, тримы меньше пяти, болт он кроме резинок верхних
- eulledee
- Клубень Stage 1
- Статус: Не в сети
- Сообщений: 99
- Зарегистрирован: 14 авг 2015, 16:10
- Благодарил (а): 1 раз.
- Поблагодарили: 26 раз.
- Имя: Абрам
- Откуда: кырск
Re: форсунки 560сс и толще
Дык, такое - сколько угодно. Здесь же речь была исключительно о том, какие форсунки подключаются с балластом, а какие - нет и в чем разница.
Я на Вконтакте /// Мой проект Airtrek Turbo "White Power" /// Турбоястреб на DRIVE2.RU
Турбосемья - мы всегда найдем чего бы у вас обосрать! (c)
Cколько людей, столько раз тебя и обосрут за твое мнение (c)
-

C00LM4N - Злой Админъ
- Статус: Не в сети
- Сообщений: 9972
- Зарегистрирован: 04 июл 2012, 10:02
- Откуда: Москва
- Благодарил (а): 586 раз.
- Поблагодарили: 1440 раз.
- Имя: Сергей
- Откуда: Москва
Re: форсунки 560сс и толще
описание в принципе ошибочно, ну или запятых не насыпали. резистор в целом не нужен, работает и без него, проверено,
- eulledee
- Клубень Stage 1
- Статус: Не в сети
- Сообщений: 99
- Зарегистрирован: 14 авг 2015, 16:10
- Благодарил (а): 1 раз.
- Поблагодарили: 26 раз.
- Имя: Абрам
- Откуда: кырск
Re: форсунки 560сс и толще
Знаю, что и без них работает. 100Вт лампочки на штатной проводке тоже работают )
Я на Вконтакте /// Мой проект Airtrek Turbo "White Power" /// Турбоястреб на DRIVE2.RU
Турбосемья - мы всегда найдем чего бы у вас обосрать! (c)
Cколько людей, столько раз тебя и обосрут за твое мнение (c)
-

C00LM4N - Злой Админъ
- Статус: Не в сети
- Сообщений: 9972
- Зарегистрирован: 04 июл 2012, 10:02
- Откуда: Москва
- Благодарил (а): 586 раз.
- Поблагодарили: 1440 раз.
- Имя: Сергей
- Откуда: Москва
Кто сейчас на форуме
Сейчас этот форум просматривают: нет зарегистрированных пользователей и гости: 10

TuningEvo.Club Shop
TuningEvo.Club
Club Mail